Wilden Pump Parts List / Ps1 Metal Eom / Durability, reliability and cost savings.

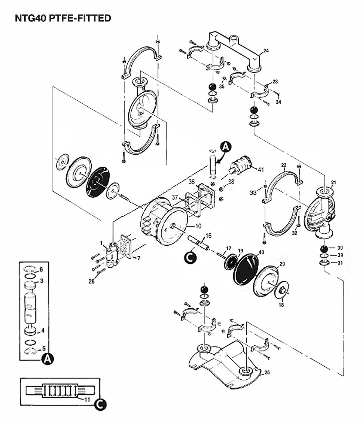
Wilden Pump Parts List / Ps1 Metal Eom / Durability, reliability and cost savings.. Any parts labelled on the drawing and parts list are available for purchase, either individually or as part of a kit. These drawings show the flow pattern through the pump upon its initial stroke. All wilden repair kits include genuine wilden parts. Wilden 1 5 inch t4 m4 series metal pump p15 wilden pump manual aodd pumps spare parts and accessories wilden parts replacement and. These drawings show flow pattern through the pump upon its initial stroke.

Wilden pumps are well known throughout a multitude of industrial sectors for their rugged design, reliable service and unmissable orange colouring. If you couldn't find your requested part, feel free to contact us at: To place an order, click on the add to cart button next to the item(s) of your choice. Wilden replacement parts and kits genuine oem replacement parts and repair kits for wilden pump diaphragm pumps. It is assumed the pump has no fluid in it prior to its initial stroke.

Wilden Pumps List Axflow
Wilden Pumps List Axflow from axflow.imagevault.media
You will find here the parts fit wilden pumps. We supply all parts associated with wilden diaphragm pumps, these include; Check out pumping solutions great selection of genuine oem wilden replacement parts including: 17 x 11 x 1.50 in, sku: Wilden replacement parts and kits genuine oem replacement parts and repair kits for wilden pump diaphragm pumps. Wilden® air repair kits contain genuine wilden replacements parts for the air side of an aodd pump. Wilden pumps have a variety of different elastomer materials to choose from. It is assumed the pump has no fluid in it prior to its initial stroke.

To place an order, click on the add to cart button next to the item(s) of your choice.

As a result, they are used in a wide range of industries to handle different materials such as chemicals, crude oil, mining, food, beverage, paints and many more. To place an order, click on the add to cart button next to the item(s) of your choice. If you couldn't find your requested part, feel free to contact us at: All wilden repair kits include genuine wilden parts. For free guidance on selecting the ideal kit, call or chat! This page is set up with a secure shopping cart. Any parts labelled on the drawing and parts list are available for purchase, either individually or as part of a kit. These drawings show fl ow pattern through the pump upon its initial stroke. It is assumed the pump has no fl uid in it prior to its initial stroke. Wilden 1 5 inch t4 m4 series metal pump kits reliable equipment These kits are available for either bolted or clamped pumps. To place an order, click on the add to cart button next to the item(s) of your choice. This page is set up with a secure shopping cart.

Wilden® air repair kits contain genuine wilden replacements parts for the air side of an aodd pump. These drawings show fl ow pattern through the pump upon its initial stroke. Uncategorized august 25, 2018 0 masuzi. Wilden also supplies spare parts such as the genuine wilden air and wet repair kits, along with accessories like the equalizer ® surge dampener sd series. Wilden pumps are well known throughout a multitude of industrial sectors for their rugged design, reliable service and unmissable orange colouring.

Wilden P4 Original Plastic Full Stroke Pumping Solutions Inc
Wilden P4 Original Plastic Full Stroke Pumping Solutions Inc from www.apumpstore.com
Wilden pumps are well known throughout a multitude of industrial sectors for their rugged design, reliable service and unmissable orange colouring. For free guidance on selecting the ideal kit, call or chat! It is assumed the pump has no fluid in it prior to its initial stroke. To place an order, click on the add to cart button next to the item(s) of your choice. It is assumed the pump has no fl uid in it prior to its initial stroke. Wilden pumps have a variety of different elastomer materials to choose from. These kits are available for either bolted or clamped pumps. Refine by no filters applied browse by brand, price & more hide filters show filters brand nomad (208) price update size 2 in.

Diaphragms, valve balls, valve seats, gaskets and shaft glyd rings.

These drawings show the flow pattern through the pump upon its initial stroke. To place an order, click on the add to cart button next to the item(s) of your choice. This page is set up with a secure shopping cart. These drawings show fl ow pattern through the pump upon its initial stroke. Uncategorized august 25, 2018 0 masuzi. Wilden pump spare parts list. If you couldn't find your requested part, feel free to contact us at: These kits are available for either bolted or clamped pumps. Durability, reliability and cost savings. Diaphragm pump clamp set, product photos. Pumps· replacement parts, additional notes: All wilden repair kits include genuine wilden parts. Genuine wilden oem replacement parts and repair kits for wilden pump diaphragm pumps wilden 1/4 pump models wilden 1/2 pump models

X this website uses cookies to provide services, personalized ads and analyse traffic. All wilden repair kits include genuine wilden parts. Diaphragm pump clamp set, product photos. These drawings show the flow pattern through the pump upon its initial stroke. You will find here the parts fit wilden pumps.

Pump Wilden M15 3 X 3
Pump Wilden M15 3 X 3 from csplus.cascades.com
You will find here the parts fit wilden pumps. These drawings show flow pattern through the pump upon its initial stroke. These drawings show fl ow pattern through the pump upon its initial stroke. Wilden pumps are well known throughout a multitude of industrial sectors for their rugged design, reliable service and unmissable orange colouring. Check out pumping solutions great selection of genuine oem wilden replacement parts including: If you couldn't find your requested part, feel free to contact us at: It is assumed the pump has no fluid in it prior to its initial stroke. To place an order, click on the add to cart button next to the item(s) of your choice.

These drawings show fl ow pattern through the pump upon its initial stroke.

Durability, reliability and cost savings. All wilden repair kits include genuine wilden parts. These drawings show the flow pattern through the pump upon its initial stroke. Individual parts for wilden pumps; We supply all parts associated with wilden diaphragm pumps, these include; As a result, they are used in a wide range of industries to handle different materials such as chemicals, crude oil, mining, food, beverage, paints and many more. Genuine wilden oem replacement parts and repair kits for wilden pump diaphragm pumps wilden 1/4 pump models wilden 1/2 pump models It is assumed the pump has no fluid in it prior to its initial stroke. This page is set up with a secure shopping cart. This page is set up with a secure shopping cart. Diaphragm pump clamp set, product photos. To place an order, click on the add to cart button next to the item(s) of your choice. It is assumed the pump has no fl uid in it prior to its initial stroke.

0 Response to "Wilden Pump Parts List / Ps1 Metal Eom / Durability, reliability and cost savings."

Post a Comment